中文
English
Russian
Korean
首页
关于我们
产品中心
解决方案
新闻资讯
诚聘英才
联系我们
首页
关于我们
关于我们
CQC
CB
TUV
ETL
体系认证
产品中心
跷板开关
过载保护开关
旋转开关
拉线开关
门控开关
微动开关
琴键开关
安全开关
按钮开关
指示灯
电子五金接插件
解决方案
新闻资讯
诚聘英才
联系我们
CN
EN
RU
KO
双鹿智能・顺派开关
满足不同客户的需求
跷板开关
过载保护开关
旋转开关
拉线开关
门控开关
微动开关
琴键开关
安全开关
按钮开关
指示灯
电子五金接插件
产品中心
首页
>
产品中心
>
按钮开关
> 产品详情
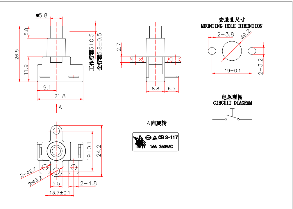
按钮开关
产品型号: S-117
下一条 :
按钮开关
上一条 :
排插开关
产品信息
发送信息给供应商
收件人 :
宁波顺派电子有限公司
*
内容 :
*
联系方式 :
*
验证码 :
发送